Il gas inerte Evoluzione, impianti, gestione
Le navi cisterna adibite al trasporto di idrocarburi aventi dimensione uguale o maggiore di 8.000 TDW devono essere munite di impianto di gas inerte fisso, realizzato conformemente al "F.S.S. Code”.
Tutte le navi che effettuano il lavaggio con “crudo” delle cisterne del carico devono essere dotate dell’impianto di gas inerte fisso.
NOTA: Le navi cisterna con tonnellaggio ≥ 8.000 TDW costruite a partire dal primo gennaio 2016 devono essere dotate dell’impianto di gas inerte fisso.
SOLAS chap.II-2 Reg. 5.5.3.1 Il sistema a gas inerte deve essere in grado di inertizzare, spurgare e liberare le cisterne vuote e mantenere l'atmosfera delle cisterne del carico con il contenuto di ossigeno richiesto dalla norma.
F.S.S. Code Capitolo 15 Reg. 2.1.2 Il sistema di gas inerte include sistemi di gas inerte che utilizzano gas di scarico, generatori di gas inerte e generatori di azoto e si riferisce all'impianto di gas inerte e alla distribuzione di gas inerte insieme ai mezzi per prevenire il riflusso dei gas del carico verso gli spazi delle macchine, strumenti di misurazione fissi e portatili e dispositivi di controllo.
Maneggio del carico e gas inerte
Discarica
Durante le operazioni di discarica di idrocarburi liquidi, si crea uno spazio libero soprastante il prodotto in via di discarica. In passato, lo spazio era colmato mediante l’aspirazione dell’aria ambiente dell'atmosfera esterna. L’ossigeno dell’aria, mescolandosi con i vapori degli idrocarburi generava una miscela infiammabile che in presenza di una fonte di accensione avrebbe dato origine ad innumerevoli incidenti.
Il gas inerte ha eliminato il pericolo dell'esplosione delle petroliere.
Lo spazio libero sarà colmato dal gas inerte, che essendo il prodotto di una combustione, non è esplosivo.
La norma prevede che la capacità di produrre e soffiare in cisterna il gas, sia pari al 125% della portata massima di tutte le pompe del carico in uso congiunto. in tal modo si potrà mantenere un a pressione positiva in cisterna, che impedirà l'ingresso dell'aria comburente. La pressione è regolata dalle valvole press-vac, che la mantengono non superiore a 350 mm. di colonna d'acqua per le navi cisterna adibite al trasporto di petrolio greggio.
Viaggio in zavorra
Durante il viaggio in zavorra, le variazioni termiche potrebbero ridurre il battente di pressione oltre i 350 mm. c.a. negativi, con possibile aspirazione d'aria dall'esterno. Per tale ragione, l'ufficiale monitora la pressione e quando la tendenza a scendere è in allarme, si provvederà ad effettuare un rabbocco con nuovo gas, sino a riavere la pressione positiva desiderata.
Caricazione
Durante la caricazione il gas inerte verrà espulso tramite il "mast riser" che lo scaricherà all'atmosfera. Su ogni cisterna potrebbe essere disposto un secondo sistema P-V. Questo sistema, oltre rappresentare una doppia sicurezza, non utilizzerà il "main" quando i vapori di carichi eventualmente diversi non ne ammettano la miscelazione.
Proprietà del gas inerte
Il gas inerte mantiene il fluido comburente entro valori tali per cui la miscela di vapori di idrocarburi e comburente è sempre in regime "poor", ovvero inferiore al limite di esplosività inferiore. I vapori di idrocarburi presenti non sono in grado di accendersi.Il diagramma, elaborato da ISGOTT e da OCIMF al principio degli anni '70, "ossigeno-vapori di idrocarburi" indica chiaramente i limiti di esplosività teorici di una miscela omogenea.
Il diagramma indica che, nell'ipotesi che la cisterna sia un ambiente con miscela di vapori omogenea, è sicura quando la miscela di vapori avrebbe un contenuto di ossigeno inferiore all'11%.
Il diagramma ossigeno - gas di prodotti petroliferi,mostra il campo di esplosività
Contenuto di ossigeno nel gas inerte
Il contenuto massimo di ossigeno nel gas inerte da soffiare in cisterna è pari a 5%.
Qualora si superasse il limite, l'operatività della nave dovrebbe essere "controllata" speditamente mentre si riporta il valore entro i limiti. Ove non fosse possibile in breve tempo (la SOLAS non impone però la tempistica), l'operatività commerciale della nave dovrebbe arrestarsi, effettuando nel frattempo quanto necessario per tornare entro i limiti di sicurezza.
Solo per informazione: Normalmente la percentuale di ossigeno soffiata in cisterna con il gas inerte è inferiori al 4%.
Fornitura del gas inerte
La produzione del gas inerte, sia da caldaie a vapore che da generatori autonomi, si attesta con un contenuto di ossigeno pari al 3/3,5%.I sistemi di controllo-combustione, potrebbero far produrre un gas di scarico con contenuto di O2 inferiore, ma ciò è fortemente sconsigliato. Ridurre l'aria comburente renderebbe la combustione imperfetta: invece di generare solo CO2, si produrrebbe molto CO. A prescindere dalla tossicità, il CO è un gas ancora combustibile e sarebbe un nonsenso introdurlo in cisterna.
Ventilazione delle cisterne tramite le Press-Vac
Per mantenere in sicurezza le cisterne, è necessario impedire qualsiasi rientrata d'aria. Sarà necessario tenere sempre l'atmosfera delle cisterne, in lieve sovra pressione. Normalmente la pressione di apertura della valvola pressione-vuoto (figura a destra) di ciascuna cisterna, si attesta a 350 mm. di colonna d'acqua. Le singole valvole di ciascuna cisterna conducono i vapori in eccesso, nel collettore del gas inerte collegato al "mast riser"; se si raggiungesse la pressione di scatto (1.400 mm ca), scaricherebbe all'atmosfera.
Saranno previsti sistemi che consentano il "purging" ed il "topping" delle cisterne del carico. (vai a integrità delle cisterne)
SOLAS II-2 R.5.3.2.3
Se si intende caricare, zavorrare o scaricare una o un gruppo di cisterne del carico che siano isolate dal sistema di sfiato comune, la cisterna o gruppo di cisterne del carico saranno munite di un mezzo per proteggere le cisterne dalla sovrapressione o depressione, come previsto dal regolamento 11.6.3.2.
La valvola scaricherà i vapori petroliferi al raggiungimento di una determinata pressione. Lo scarico dei gas avrà la forma di "plume" ovvero dovrà essere verticale e la velocità di efflusso non sarà inferiore a 30 m/s. La valvola del vuoto si aprirà al raggiungimento di un determinato valore di depressione. Apertura a non meno di 2 m dal ponte e 10 m di raggio senza punti di ignizione o prese d'aria.
Vista di insieme
Vista di insieme del sistema valvole PV. A sinistra la valvola pressione-vuoto in linea (+350 mm c.a./-350 mm. c.a.) che interposta fra la cisterna ed il "main", bilancia le variazioni di pressione.A destra la valvola PV "indipendente"(+1400 mm c.a./-350 mm. c.a.) che, è posta su ogni cisterna, come doppia sicurezza. Questa valvola potrebbe essere utilizzata come scarico del gas della cisterna durante la caricazione, se per qualche ragione non si utilizzasse il "mast riser". il disegno di questa valvola di "scarico rapido" è tale per cui i gas espulsi avranno una velocità di oltre 30 m/s, con una conformazione a "plume", per allontanare in modo sicuro i gas dal ponte di coperta.
Le navi petroliere con doppio scafo debbono avere la possibilità di inertizzare i compartimenti del doppio scafo in emergenza.
In caso di avaria, una cisterna di zavorra potrebbe essere invasa dal carico; per porla in sicurezza contro le esplosioni, sarà necessario inertizzarla. Ognuna di queste cisterne sarà dotata di uno stacco in coperta (normalmente "blanked") che tramite una manichetta mobile, si potrà collegare ad uno stacco del collettore principale del gas inerte.
Gli spazi non destinati al carico, circostanti le cisterne del carico saranno muniti di sensori di rilevamento dei gas, compreso il locale pompe del carico. Esso sarà dotato anche di sensori di livello delle sentine, di sensori di temperatura sui passaggi stagno a paratia dell'asse delle pompe del carico/zavorra con motore in locale macchine.
Integrità strutturale
La ventilazione delle cisterne del carico deve essere ben distinta da tutte le altre. I vapori emessi in atmosfera non devono essere prossimi né agli alloggi né a possibili fonti di innesco.
La ventilazione delle cisterne del carico se non collegate da un collettore comune, dovrà essere composta da dispositivi di sovrapressione (con sistemi parafiamma, con soffio verticale ad una velocità non inferiore a 30 m/s) e di depressione.
Sono previsti due sistemi meccanici distinti per impedire eccessi di pressione o vuoto nelle cisterne; uno di essi potrà essere sostituito da un sensore di pressione con sistema di controllo nella centrale del carico.
Stesse considerazioni per le cisterne di zavorra, che avranno ventilazione indipendente dal sistema del carico.
Procedure per la bonifica delle cisterne del carico
Quando le cisterne del carico devono essere preparate per l’accesso, le si spurgherà fino a quando la concentrazione di vapori di idrocarburi nelle cisterne del carico non sia ridotta a meno del 2% del volume (tratto F-H). Quindi inizierà lo scarico dei gas a livello del ponte di coperta (tratto H-A).
Separazione della zona carico dall'apparato motore. La sentina del locale pompe di una petroliera non può essere trattata dal separatore di sentina di macchina. (MARPOL AnnexI).
La ventilazione deve essere effettuata con ventilatori/estrattori dedicati e tali da effettuare 20 ricambi per ora del volume lordo del locale pompe.
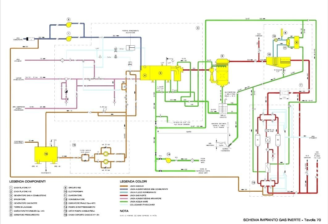
Impianto generazione gas inerte da generatore di vapore
L’impianto di gas inerte si suole suddividere in due parti:
- La generazione del gas è dislocata nella zona sicura, altrimenti detta “non hazardous zone”;
- la distribuzione del gas inerte è posta sul ponte di coperta della nave cisterna, a proravia del cassero degli alloggi e sito nella “hazardous zone”, ovvero nello spazio in cui potrebbero trovarsi dei vapori esplosivi originati dal carico.
Elementi dell’impianto posti nell’hazardous zone
Nell'ordine, da poppavia al limite della “zona pericolosa”:
- Doppio sigillo che previene il ritorno dei gas alla zona sicura, composto dal sigillo liquido (DWS) e valvola di non ritorno meccanica,
- isolation valve: valvola di isolamento che sarà aperta solo quando saranno in funzione i soffiatori,
- main: uno o più collettori per la distribuzione del gas inerte,
- connessione del main con un collettore del carico per lo spiazzamento dal basso; doppia valvola con rubinetto spia,
- derivazione su ambo i lati con valvola e flangia cieca per fornitura di GI da terra,
- mast riser: valvola di scarico di grandi quantità, posto su albero a prora,
- torre di sicurezza pressione vuoto: Pressre vacuum breaker,
- derivazione dal “main” ad ogni cisterna, in genere verso il cofano di espansione,
- press-vac: valvole pressione vuoto poste su ogni cisterna per mantenere l’integrità strutturale.
Elementi dell’impianto posti nel NON hazardous zone
Nell'ordine, dal generatore di vapore, al limite della zona sicura:
- Generatore di vapore, sia esso per la propulsione od ausiliario: da esso si prelevano i fumi della combustione,
- valvola intercettazione fumi, metallo su metallo, dotata di soffiatore di fuliggine,
- scrubber: la torre di lavaggio rimuove il particolato e raffredda il gas, in essa viè un ulteriore sigillo idraulico,
- demister: masse deumidificanti o sistemi a ciclone che rimuovono l’umidità dei fumi trattati,
- blowers: soffiatori che hanno il compito di trasferire il gas e di innalzarne la pressione,
- analizzatore di ossigeno: monitora il contenuto di ossigeno dei fumi del GI e comanda:
- Valvola di mandata al DWS e valvola di scarico all'atmosfera: quando la prima è aperta, la seconda è chiusa e viceversa, in funzione del contenuto di ossigeno nel gas inerte.
Generatori di gas con sistema di bruciatore autonomo
Il complesso caldaie-scrubber sarà di tipo integrato, ovvero il bruciatore sarà contenuto entro lo scrubber, che sarà compatto e di minore complessità rispetto al precedente, in quanto bruciando prodotti più leggeri e con minor contenuto di zolfo, non necessiterà di complessi sistemi di pulizia. Un ulteriore differenza la si può riscontrare nello scarico del gas, che, avendo ancora un consistente contenuto di ossigeno, invece di essere condotto in ciminiera, potrebbe essere inviato in camera di combustione.
Il bruciatore di gasolio produce gas inete con contenuto di ossigeno confome ai limie previsto.
Lo scrubber è il sistema post-combustione che raffredda il gas inerte, toglie eventuale particolato , dilava lo zolfo e rimuove il contenuto di umidità
Schema dell'impianto del gas inerte autonomo
Impianto nella "NON Hazardos area"
Generatori di gas con calderine o caldaie per la produzione di vapore
L'impianto deriva il gas di scarico da due generatori di vapore a combustione interna.
Due valvole (metallo su metallo) isoleranno le caldaie dall'impianto a valle di esse.
Le valvole sono munite di soffiatori di fuliggine.
Le valvole hanno un sistema di interlock durante la soffiatura.
Scrubber
Il gas sarà spinto alla torre di lavaggio. Per primo gorgoglierà in una sorta di sifone, il cui livello è mantenuto costante. Uno sfioro manterrà il livello che una pompa di acqua mare provvederà ad alimentare in continuo. Il corp della torre di lavaggio sarà costituito dal sistema di raffreddamento, pulizia dei gas e deumidificazione. I sistemi di pulizia e deumidificazione differiscono in funzione del fornitore, mentre il raffreddamento del gas è effettuato con acqua di mare che fluisce da appositi ugelli polverizzatori. La pulizia del gas (rimozione di zolfo e particolato, sarà effettuato facendo fluire il gas in intimo contatto con acqua corrente, attraverso labirinti o attraverso piattelli a rigurgito analoghi a quelli delle torri di cracking. La deumidificazione del gas pulito sarà effettuata con pacchi filtranti (demister) o con sistema a ciclone.
Tipologie diverse di scrubber
A piattelli, a labirinti, a diluvio.
A piattelli, a labirinti, a diluvio.
Soffiatori
Una coppia di macchine, di cui almeno una dovrà avere la capacità di pompaggio del 125% della capacità totale volumetrica delle pompe del carico. Il secondo soffiatore avrà la capacità dell'80%, avendo la funzione di purging o di topping.I soffiatori centrifughi stanno andando in disuso, in quanto modesti sporcamenti, li sbilanciano provocando notevoli vibrazioni. Sono poco flessibili.
Soffiatore a lobi rotanti
Il soffiatore a lobi è una macchina volumetrica. Variando la velocità di rotazione si controlla la portata di fluido in conformità alla richiesta.
Analizzatore di ossigeno, sarà posto a valle dei soffiatori. Monitorerà in continuo il titolo del gas, sarà provvisto di registratore ed allarmi. Quando il flusso di gas avesse un contenuto non superiore al 5% di ossigeno, Il sistema di "monitoring and control" farà aprire la valvola di mandata del gas alle cisterne. Ove il valore fosse superiore, la valvola di mandata si chiuderebbe per aprire la valvola di scarico che condurrà il gas alla ciminiera.
Impianto nella "Hazardos area"
E' lo stesso indipendentemente dall'impianto di produzione del gas.
Una valvola di non ritorno meccanica, sarà la prima barriera fisica che impedirà il ritorno del gas a monte delle cisterne.
la "isolation valve" è la valvola che sarà aperta solo quando si immetterà gas nelle cisterne. In tutte le altro operazioni, sarà sempre mantenuta chiusa, isolando in sicurezza l'azzardoso area da quella "non hazardous". Va da se che la valvola NR sarà chiusa ed il DWS sarà in riposo. La pompa di acqua mare del sigillo, sarà sempre in servizio; il livello di guardia, sarà regolato da uno sfioro.
A valle della isolation valve sarà sistemata la mandata del gas alle cisterne ed uno stacco con doppia valvola e rubinetto spia per inviare GI ai collettori del carico quando si effettueranno le operazioni di spiazzamento.
Deck water seal (DWS) sarà la seconda barriera di sicurezza che impedirà possibili ritorni di gas dalle cisterne verso la zona sicura. Il DWS è costituito da un serbatoio in cui fluisce il gas inerte. L'estremità del tubo di mandata è posta sotto battente d'acqua, in maniera tale che nella malaugurata eventualità di un ritorno di gas, l'acqua sia spinta dal gas stesso entro il tubo di mandata sino ad un livello insuperabile. L'operatività del sifone impedirà danni catastrofici. Il livello insuperabile è indicato nello schema con il termine "max" ed è controllato dal PVB. Il DWS è munito a sua volta di un sistema di pacchi deumidificatori. Alcune navi che potrebbero trasportare carichi reattivi anche a modesti contenuti di acqua nel gas, saranno dotati di un impianto di essiccamento, che potrebbe essere con "silicagel" o con sistema di condizionamento.
Valvola di non ritorno e livello con il deck seal
Mandata/ritorno alle cisterne
in corrispondenza di ogni accesso alle cisterne (10), uno stacco dal "main" (5) collettore del gas inerte, alimenterò le cisterne.
Sulla derivazione è inserita la valvola P/V (press-vac (6)) automatiche (a peso) che consentirà il bilanciamento della pressione dovuta alle variazioni termiche notte-giorno. La valvola ha anche la funzione di scaricare all'atmosfera un'eventuale sovra pressione. Un by-pass (7) consentirà l'eventuale gestione manuale. Una valvola di intercettazione chiudibile con lucchetto (8) ed una flangia ad otto (9), spectacle flange, consentiranno il passaggio o l'intercettazione sicura del fluido.
Derivazione del gas inerte dal "main" al cofano di espansione, con valvola press vac e bypass, valvola intercettazione con lucchetto e flangia ad otto
è una sorta di valvola di sicurezza, a sifone, che protegge il DWS da eventuali contro-pressioni, qualora la valvola NR non garantisse la tenuta. In caso di eccessiva contro-pressione, si alzerà il livello del PVB e del DWS (ove la valvola NR sia guasta). Quando il gas spingerà il fluido in alto, traboccherà al livello MAX ed il livello dell'acqua nel DWS si attesterà anch'esso sul livello MAX senza possibilità di ulteriori risalite e disinnesco del sifone. Si garantisce così la sicurezza in caso di una improbabile, ma possibile eccezionale contro-pressione.
Mast riser (vedasi galleria)
è l'ultimo elemento in linea dell'impianto di gas inerte. Si tratta di un esalatore che scaricherà il gas inerte in atmosfera durante la caricazione. deve essere posto il più lontano possibile dalla zona sicura e scarica i gas in free flow. E' munito di valvola press-va (1400.-350) con by pass. L'elemeto dispersore deve essere posto ad un altezza non inferiore a 6 m. e per un raggio di 5m. non dovrà essere posto alcun elemento che possa provocare scariche elettriche. Il valore di scatto della valvola per una petroliera, sarà di 1400 mm di colonna d'acqua. Il sistema, provvisto di schermi parafiamma,sarà dotato di un sistema di estinzione incendio, normalmente ad azoto.
Il mast riser consente di scaricare in free flow i vapori colletivizzati delle petroliere, lontano dagli alloggi ed ad un altezza dal ponte non minore di 6 m., dakko scalandrone 4 m. e con un raggio libero alla base, da inneschi di 5m,



